
| 这款碳钢手柄蝶阀在使用闸阀、截止阀、旋塞、胶管阀及隔膜阀的管路,均可用该阀替换,订货时该阀加带副管供货即可(请在合同中注明) | ||||||||||||||||||
| 江瑞本不锈钢对夹蝶阀系列产品: 对夹蝶阀多标体:DN40-DN300 对夹蝶阀方体:DN50-DN400 对夹蝶阀双耳体:DN50-DN300 对夹蝶阀挂胶体:DN50-DN300 对夹蝶阀标准体:DN50-DN900 |
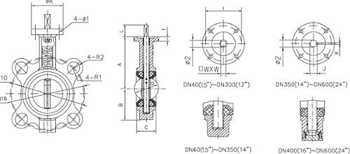
||||||||||||||||||
| 主要性能参数: | ||||||||||||||||||
| 产品名称 | 中线对夹式蝶阀-圆脖体 | |||||||||||||||||
| 产品型号 | D71X | |||||||||||||||||
| 公称通径 | DN40-900mm | |||||||||||||||||
| 公称压力 | PN 1.0/1.6Mpa | |||||||||||||||||
| 适用温度 | -23-121℃ | |||||||||||||||||
| 适用介质 | 水、空气、食品、油品 | |||||||||||||||||
| 主要零部件 | 阀体、阀瓣、阀杆、阀座、转轴 | |||||||||||||||||
| 主要材料 | 碳钢、不锈钢、铸铁、球墨铸铁 | |||||||||||||||||
| 规格DN | A | B | C | D | L | D1 | D2 | Φ1 | Φk | E | R1 | R2 | Φ2 | f | J | X | W*W | 重量 |
| (PN10) | (PN16) | Weight(kg) | ||||||||||||||||
| 32 | 125 | 73 | 32.9 | 35.8 | 32 | 100 | 100 | 7 | 65 | 50 | R9.5 | R9.5 | 12.6 | 10 | 9*9 | 2.52 | ||
| 40 | 125 | 73 | 33 | 39 | 32 | 110 | 110 | 7 | 65 | 50 | R9.5 | R9.5 | 12.6 | 10 | 9*9 | 2.52 | ||
| 50 | 125 | 73 | 43 | 52 | 32 | 125 | 125 | 7 | 65 | 50 | R9.5 | R9.5 | 12.6 | 10 | 9*9 | 2.74 | ||
| 65 | 136 | 82 | 46 | 64 | 32 | 145 | 145 | 7 | 65 | 50 | R9.5 | R9.5 | 12.6 | 10 | 9*9 | 3.55 | ||
| 80 | 142 | 91 | 45.21 | 78 | 32 | 160 | 160 | 7 | 65 | 50 | R9.5 | R9.5 | 12.6 | 10 | 9*9 | 3.66 | ||
| 100 | 163 | 107 | 52.07 | 104 | 32 | 180 | 180 | 10 | 90 | 70 | R9.5 | R9.5 | 15.77 | 12 | 11*11 | 4.7 | ||
| 125 | 176 | 127 | 55.5 | 123 | 32 | 210 | 210 | 10 | 90 | 70 | R9.5 | R9.5 | 18.92 | 12 | 14*14 | 6.5 | ||
| 150 | 196 | 143 | 55.75 | 155 | 32 | 240 | 240 | 10 | 90 | 70 | R11.5 | R11.5 | 18.92 | 12 | 14*14 | 7.4 | ||
| 200 | 228 | 170 | 60.58 | 202 | 45 | 295 | 295 | 12 | 125 | 102 | R11.5 | R11.5 | 22.1 | 15 | 17*17 | 10.7 | ||
| 250 | 258 | 204 | 68 | 250 | 45 | 350 | 355 | 12 | 125 | 102 | R11.5 | R14 | 28.45 | 15 | 22*22 | 15.6 | ||
| 300 | 292 | 240 | 76.9 | 301 | 45 | 400 | 410 | 12 | 125 | 102 | R11.5 | R14 | 31.6 | 15 | 22*22 | 24 | ||
| 350 | 336 | 270 | 76.17 | 333.3 | 45 | 460 | 470 | 14 | 150 | 125 | R11.5 | R14 | 31.6 | 18 | 34.6 | 8 | 24.5 | |
| 400 | 368 | 325 | 85.7 | 389.6 | 51 | 515 | 525 | 18 | 175 | 140 | R14 | R15.5 | 33.15 | 23 | 36.15 | 10 | 37.1 | |
| 450 | 400 | 356 | 104.6 | 440.5 | 51 | 565 | 585 | 18 | 175 | 140 | R14 | R14 | 38 | 23 | 10.95 | 10 | 48.3 | |
| 500 | 438 | 395 | 130.28 | 492 | 64 | 620 | 650 | 18 | 175 | 140 | R14 | R14 | 41.14 | 27 | 44.12 | 10 | 65 | |
| 600 | 562 | 475 | 151.36 | 593 | 70 | 725 | 770 | 22 | 210 | 165 | R15.5 | R15.5 | 50.65 | 27 | 54.62 | 16 | 117.5 | |
